1과목: 응용역학
1. 길이 ℓ인 양단고정보 중앙에 100kg의 집중하중이 작용 하여 중앙점의 처짐이 1mm 이하가 되려면 ℓ은 최대 얼마이하이어야 하는가? (단, E=2×106kg/cm2, I=10cm4임)
2. 다음의 1차 부정정보에서 A 점의 모멘트 MA의 값은? (단, EI는 일정하다.)




3. 그림과 같은 1m 의 지름을 가진 차륜이 높이 0.2m의 장애물을 넘어가기 위해서 최소로 필요한 수평력은? (단, 차륜의 자중 W=1.5t)
4. 다음 4가지 종류의 기둥에서 강도의 크기순으로 옳게된 것은? (단, 부재는 등질 등단면이고 길이는 같다.)
5. 트러스 해석시 가정을 설명한 것 중 틀린 것은?
6. 그림과 같은 트러스에서 부재력이 0인 부재는 몇 개 인가?
7. 다음 구조물에서 최대처짐이 일어나는 위치까지의 거리 Xm를 구하면?
8. 다음 그림에서 보는 바와 같이 균일 단면봉이 축인장력을 받는다. 이 때 단면 p-q 에 생기는 전단응력 τ는? (단, 여기서 m-n 은 수직단면이고, p-q는 수직단면과 ø=45°의 각을 이루고, A는 봉의 단면적이다.)




9. 그림과 같은 단면의 주축에 대한 단면 2차 모멘트가 각각 Ix=72cm4, Iy=32cm4 이다. x축과 30°를 이루고 있는 u축에 대한 단면 2차 모멘트가 Iu=62cm4 일 때 v축에 대한 단면 2차 모멘트 Iy는?
10. 그림과 같은 단면에서 직사각형 단면의 최대 전단응력도는 원형단면의 최대 전단응력도의 몇 배인가? (단, 두 단면적과 작용하는 전단력의 크기는 같다.)
11. 그림과 같은 3경간 연속보의 B점이 5cm 아래로 침하하고 C점이 2cm 위로 상승하는 변위를 각각 보였을 때 B점의 휨모멘트 MB를 구한 값은? (단, EI=8×1010kg∙cm2로 일정)
12. 한 점에 F1=3,000kg, F2=4,000kg 이 30°각을 이루고 작용할 때 합력의 크기는?
13. 다음 중 탄성계수를 옳게 나타낸 것은? (단, A : 단면적, ℓ : 길이, P : 하중, △ℓ : 변형량)




14. 다음과 같은 부정정 구조물에 지점 B에서의 휨모멘트
일 때 고정단 A에서의 휨모멘트는?




15. 다음 내민보에서 B점의 모멘트와 C점의 모멘트의 절대 값의 크기를 같게 하기 위한 L/a값을 구하면?
16. 지점 B에서의 수직반력의 크기는?
17. 그림과 같은 단면이 267.5 tonfㆍm의 휨모멘트를 받을 때 플랜지(Flange)와 복부(Web)의 경계면 mn에 일어나 는 휨응력으로 옳은 것은?
18. 직경 d인 원형단면 기둥의 길이가 4m이다. 세장비가 100이 되도록 하자면 이 기둥의 직경은?
19. 그림과 같은 캔틸레버보에서 자유단 A의 처짐은? (단, EI는 일정함)




20. 다음과 같이 D 점이 힌지인 게르버보에서 A점의 반력은 얼마인가?
2과목: 측량학
21. 초점거리 210mm, 사진의 크기 18cm×18cm, 평탄한 지역의 항공 사진상 주점기선장은 70mm였다. 이 항공사진의 축척은 1/20,000로 하면 비고 200m에 대한 시차차는?(관련 규정 개정전 문제로 여기서는 기존 정답인 2번을 누르면 정답 처리됩니다. 자세한 내용은 해설을 참고하세요.)
22. 곡선 반지름 R=600m, 교각 I=60°00′일 때 노선 측량에서 원곡선 설치시 장현의 길이는?
23. 축척 1/500 도상에서 3변의 길이가 각각 20.5cm, 32.4cm, 28.5cm일 때 실제면적은?
24. 수준측량에서 발생할 수 있는 정오차에 해당하는 것은?
25. A, B, C점에서의 중력탐사값을 이용하여 미지점 P의 중력값을 추정하고자 A, B, C로부터 P까지의 거리를 경중률로 활용하는 역거리가중치(Inverse Distance Weight ; IDW)기법을 사용했다. 이러한 역거리가중치 (IDW) 기법의 특징이 아닌 것은?
26. 우리나라 중부원점의 좌표값은?
27. 그림과 같이 현재의 단곡선 도로를 개수하여 단곡선 신설도로를 설치하려고 한다. 신설도로의 반경 R을 얼마로 해야 하는가? (단, 현재 도로의 교각은 90°, 반경은 500m이며, 신설 도로의 교각은 60°임)
28. 곡선반지름 R, 교각 I 일 때 다음 공식 중 틀린 것은? (단, 접선길이 = T.L., 외할 = E, 중앙거 = M, 곡선길이 = C.L.)



29. 하천측량에 대한 설명 중 옳지 않은 것은?
30. 어떤 횡단면적의 도상면적이 40.5cm2 였다. 가로 축척이 1/20, 세로 축척이 1/60 이였다면 실제면적은?
31. 등고선에 관한 다음 설명 중 옳지 않은 것은?
32. P점의 표고를 구하기 위하여 4개의 기지점 A, B, C, D에서 왕복수준측량의 결과가 다음과 같다. P점의 최확값은?
33. 1회 측정할 때 생기는 우연오차를 ±0.01m 라 하면 100회 연속하여 측정하였을 때의 발생하는 오차는?




34. 삼각측량에서 망을 정삼각형에 가깝도록 구성하는 이유로 옳은 것은?
35. 시가지에서 25변형 트래버스 측량을 실시하여 측각오차가 2′ 50″발생하였다. 어떻게 처리해야 하는가? (단, 시가지의 측각 허용범위 = 20″√n ~ 30″√n 이고 여기서 n은 트래버스의 측점 수)
36. 사갱의 고저차를 구하기 위해 측량을 하여 다음 결과를 얻었다. A, B 간의 고저차는 얼마인가? (단, A점의 기계고와 B점의 시준고는 천상(天上)으로부터 잰 값이다. A점의 기계고 = 1.15m, B점의 시준고 = 1.56m, 사거리 = 31.69m, 연직각 = +17°41′)
37. 한 점 A에 평판을 세우고 또 한 점 B에 세운 2m의 표척을 엘리데이드로 시준하니 눈금차가 6이었다. AB간의 수평거리는?
38. 직사각형의 2변이 각각 25m±2mm, 15m±3mm로 측정되었을 때에 그의 면적과 표준편차는?
39. 초점거리 153mm, 사진크기 23cm×23cm인 카메라를 사용하여 동서 14km, 남북 7km, 평균표고 250m로 거의 평탄한 사각형 지역을 축척 1/15000로 촬영하고자 한다. 필요한 모델 수는? (단, 종ㆍ횡 중복도는 각각 60%, 30%임)(관련 규정 개정전 문제로 여기서는 기존 정답인 2번을 누르면 정답 처리됩니다. 자세한 내용은 해설을 참고하세요.)
40. 지형도의 이용법에 해당되지 않는 것은?
3과목: 수리학 및 수문학
41. 후루드 수(Froude Number)가 1보다 큰 흐름은?
42. 수심이 10cm이고 수로 폭이 20cm인 직사각형 개수로에서 유량 Q=80cm3/sec가 흐를 때 동점성계수 v=1.0×10-2cm2/s 이면 흐름은?
43. 다음 중 수문곡선의 기저유츌과 직접유출을 분리하는 방법이 아닌 것은?
44. 부체의 배수용량(排水容量) V, 중심(重心) G와 부심(浮心) C의 거리
그리고 부양면에서의 최소단면 2차 모멘트를 I라고 할 때 이 부체의 안정 조건 식은?




45. 면적이 20km2인 유역 내에 저수지를 건설하고자 한다. 연강우량, 접시증발량이 각각 1000mm, 800mm이고 유츌계수와 증발접시계수가 각각 0.4, 0.7이라 할 때 댐건설 후 하류의 하천유량 증가량은?
46. 베르누이의 정리에 관한 설명으로 틀린 것은?
47. 다음에서 배수곡선(背水曲線)이 생기는 영역(嶺域)은? (단, h는 측정수심, ho는 등류수심, hc는 한계수심이다.)
48. 그림과 같이 단면의 변화가 있는 단면에서 힘(F)를 구하는 운동량 방정식으로 옳은 표현은? (단, P = 압력, A = 단면적, Q = 유량, V = 속도, g = 중력가속도, r= 단위중량, ρ밀도)
49. 흐르는 유체에 대한 마찰응력의 크기를 규정하는 뉴우톤의 점성법칙 함수를 구성하는 항으로 짝지어진 것은?
50. 유출량 자료가 없는 경우에 유역의 토양특성과 식생피복상태 등에 대한 상세한 자료만으로서도 총우량으로 부터 유효우량을 산정할 수 있는 방법은?
51. 유역면적 200ha인 도시 소하천유역의 유수 도달시간이 5분이고, 유역 평균유출계수는 0.60이다. 강수자료의 해석으로부터 구해진 이 유역의 강우강도식 I=6500/(t+45)[mm/hr]이라면 첨두유출량은? (단, 강우지속시간 t는 분(min) 단위이다.)
52. 한계수심에 대한 설명으로 옳지 않은 것은?
53. 직사각형 위어에서 위어의 월류수두(h)에 2%의 오차가 생기면 유량에는 몇 % 의 오차가 발생되겠는가?
54. 어느 관측소의 자기우량기록이 다음 표와 같을 때 10분 지속 최대 강우강도는?
55. 3m 폭을 가진 직사각형 수로에 사각형인 광정(廣頂)위어를 설치하려 한다. 위어 설치 전의 평균 유속은 1.5m/sec, 수심이 0.3m이고, 위어 설치 후의 평균 유속이 0.3m/sec 위어상류의 수심이 1.5m가 되었다면 위어의 높이 h는? (단, 에너지 보정계수 α=1.0로 본다.)
56. 최소 비에너지가 1m인 직사각형 수로에서 단위폭당 최대 유량은?
57. 어떤 수평관 속에 물이 2.8m/sec의 속도와 0.46kg/cm2의 압력으로 흐르고 있다. 이 물의 유량이 0.84m3/sec일 때 물의 동력은?
58. 개수로의 흐름에서 사류(射流)에서 상류(常流)로 변할때 가지고 있는 에너지의 일부를 와류와 난류를 통해소모하는 현상은?
59. 단위도(단위 유량도)에 대한 설명으로 옳지 않은 것은?
60. 그림과 같은 제방에서 단위폭당의 유량이 0.414×10-2m3/sec이라면 투수 계수는?
4과목: 철근콘크리트 및 강구조
61. 아래 그림의 지그재그로 구멍이 있는 판에서 순폭을 구하면? (단, 리벳구멍직경 = 25mm)
62. 그림과 같은 맞대기 용접의 인장응력은?
63. 그림에 나타난 직사각형 단철근보의 공칭 전단강도 Vn을 계산하면? (단, 철근 D13을 스터럽(Stirrup)으로 사용하며, 스터럽 간격은 150mm이다. 철근 D13 1본의 단면적은 126.7mm2 , fck=28MPa, fy=350MPa이다.)
64. 철근콘크리트 벽체의 철근배근에 대한 다음 설명 중 잘못된 것은?
65. 강도설계법의 기본 가정으로 옳지 않은 것은?
66. 폭 b = 300mm, 유효깊이 d = 500mm이고 균형철근비ρb=0.0375일 때 최대 철근량은?
67. 그림과 같은 단순 PSC 보에서 등분포하중 (자중포함)ω=30kN/m가 작용하고 있다. 프리스트레스에 의한 상향력과 이 등분포 하중이 비기기 위해서는 프리스트레스 힘 P를 얼마로 도입해야 하는가?
68. 강도설계법에서 복철근 직사각형보의 중립축까지의 거리 c=300mm일 때 압축연단에서 50mm 떨어진 곳에 배치된 압축 철근의 응력 fs′은 얼마인가? (여기서, 철근의 항복강도는 300MPa이고, 철근의 탄성계수는 2.0×105 MPa이다.)
69. 철근콘크리트 휨부재에서 최대철근비와 최소철근비를 규정한 이유로 가장 적당한 것은?
70. b = 350mm, d = 550mm인 직사각형 단면의 보에서 지속 하중에 의한 순간처짐이 16mm였다. 1년 후 총 처짐량은 얼마인가? (단, As=2246mm2, As=1284mm2, ꒲=1.4)
71. bw=250mm, d=500mm, fck= 24MPa, fy=400MPa인 직사각형 보에서 콘크리트가 부담하는 설계전단강도(øVc)는?
72. 강도설계법에서 하중계수에 관한 규정 중 틀린 것은?
73. 계수하중에 의한 단면의 계수 모멘트가 Mu=350kN∙m인 단철근 직사각형 보의 유효깊이는? (단, ρ=0.0135, b=300mm, fck= 24MPa, fy=300Mpa)
74. 다음 그림과 같이 w=45kN/m 일 때 PS강재가 단면 중심에서 긴장되며 인장측의 콘크리트 응력이 0이 되려면 PS강재에 얼마의 긴장력이 작용하여야 하는가?
75. 단면 400mm×400mm 인 중심축하중을 받는 기둥(단주)에 4-D25(Ast=2027mm2)의 축방향 철근이 배근되어 있다. 이 기둥의 변형률이 Є=0.001에 도달하게 될 때, 방향 하중의 크기는 약 얼마인가? (단, 콘크리트의 응력 fc=15MPa이며, fck=24MPa, fy=300MPa이다.)
76. 그림과 같은 프리스트레스 콘크리트 단면의 설계휨강도를 구하면? (단, fck=35MPa, fps=1700MPa이고 과소보강 되었다고 가정한다.)
77. 철근콘크리트 보에서 스터럽을 배근하는 주목적은?
78. 철근콘크리트 부재에서 균열 폭 제한을 위한 가장 적절한 조치는? (단, 부재단면 및 철근량은 일정)
79. 2방향 슬래브 설계시 직접설계법을 적용할 수 있는 제한사항에 대한 설명 중 틀린 것은?
80. 압축이형철근의 정착에 대한 다음 설명 중 잘못된 것은?
5과목: 토질 및 기초
81. Meyerhof의 극한지지력 공식에서 사용하지 않는 계수는?
82. 점토층으로부터 흙시료를 채취하여 압밀시험을 한 결과 하중강도가 3.0kg/cm2로부터 4.6kg/cm2로 증가했을 때 간극비는 2.7로부터 1.9로 감소하였다. 압축계수(av)는 얼마인가?
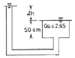
83. 다음 그림에서 옹벽에 작용하는 수평력은 얼마인가?
84. 절편법을 이용한 사면 안정해석 중 가상파괴면의 한절편에 작용하는 힘의 상태를 그림으로 나타내었다. 다음 설명 중 잘못된 것은?
85. 어떤 흙에 있어서 함수비는 18%, 비중은 2.65, 공극비는 0.56일 때 이 흙의 포화도는?
86. 그림과 같은 지반에서 하중으로 인하여 수직응력(△σ1)이 1.0kg/cm2이 증가되고 수평응력(△σ3)이 0.5kg/cm2이 증가되었다면 간극수압은 얼마나 증가되었는가? (단, 간극수압계수 A=0.5이고 B=1이다.)
87. 어떤 모래의 비중이 2.64이고 간극비가 0.75일 때 이 모래의 한계동수경사(限界動水傾斜)는?
88. 흙의 다짐에 관한 설명 중 옳지 않은 것은?
89. 그림에서 분사현상에 대하여 안전율 2.5 이상이 되기위해서는 △h를 최대 얼마 이하로 하여야 하는가? (단, 간극률(n)=0.5)
90. 다음 그림에서 얕은 기초의 파괴 영역이다. 설명이 옳은 것은?
91. 흙의 전단강도에 대한 다음 설명 중 옳지 않은 것은?
92. 전체 시추코아 길이가 150cm 이고 이중 회수된 코아 길이의 합이 80cm 이었으며, 10cm 이상인 코아 길이의 합이 70cm 였을 때 암질의 상태를 판별하면?
93. 물로 포화된 실트질 세사(細砂)의 N치를 측정한 결과 N = 33이 되었다고 할 때 수정 N치는? (단, 측정지점 까지의 로드(Rod)길이는 35m이다.)
94. 3층 구조로 구조결합 사이에 치환성 양이온이 있어서 활성이 크고 시트 사이에 물이 들어가 팽창 수축이 크고 공학적 안정성은 약한 점토 광물은?
95. 액화 현상(Liquefaction)에 대한 설명으로 틀린 것은?
96. 다음 중 부마찰력이 발생할 수 있는 경우가 아닌 것은?
97. 다음 그림과 같이 점토질 지반에 연속기초가 설치되어있다. Terzaghi 공식에 의한 이 기초의 허용 지지력 qa는 얼마인가? (단, ø=0이며, Nc=5.14, Nq=1.0, Nr=0, 안전율 Fs=3이다.)
98. 아래 그림에서 투수계수K= 4.8×10-3 cm/sec 일 때 Darcy 유츌속도 V와 실제 물의 속도(침투속도) Vs는?
99. 흙의 다짐시험을 실시한 결과 다음과 같았다. 이 흙의 건조단위중량은 얼마인가?
100. 흐트러진 흙은 자연상태의 흙에 비해서 다음과 같은 차이점이 있다. 다음 중 옳지 않은 것은?
6과목: 상하수도공학
101. 호소의 부영양화에 관한 다음 설명 중 틀린 것은?
102. 다음 중 합류식 하수도에 대한 설명이 아닌 것은?
103. 배수관의 관망 중 수지상식(Branching System)에 관한 설명으로 알맞은 것은?
104. 도수 및 송수관로 계획에 대한 설명으로 옳지 않은 것은?
105. 활성슬러지법과 비교하여 생물막법의 특징으로 옳지 않은 것은?
106. 활성 슬러지의 SVI가 현저하게 증가되어 응집성이 나빠져 최종 침전지에서 처리수의 분리가 곤란하게 되었다. 이것은 활성슬러지의 어떤 이상 현상에 해당 되는가?
107. 다음은 급수용 저수지의 필요수량을 결정하기 위한 유량누가곡선도이다. 틀린 설명은?
이다.
구간에서는 저수지의 수위가 상승한다.108. 다음 설명 중 옳지 않은 것은?
109. 다음 중 상수의 일반적인 정수과정으로 옳은 것은?
110. BOD5가 155mg/L인 폐수가 있다. 탈산소계수(K1)가 0.2/day일 때 4일 후에 남아 있는 BOD는? (단, 탈산소계수는 상용대수 기준)
111. 합류관거나 우수관거가 오수관거보다 최저 유속이 높게 규정되어 있다. 다음 중 그 이유로 가장 타당한 것은?
112. 유입하수량 1,000m3 /day, 유입하수의 BOD농도 200mg/L인 오수를 활성슬러지법으로 처리하기 위하여 설계 하려고 한다. 폭기조의 MLSS 농도를 2,000mg/L 유지하고, F/M비를 0.2로 운전할 경우 폭기조의 수리학적체류시간은?
113. 상수도 시설 중 접합정에 관한 설명으로 가장 옳은 것은?
114. 그림에서 A점에서부터 B점으로의 유량은 1.2L/sec 이다. ①, ②관로의 유량은 각각 얼마인가? (단, ①관로의 마찰손실계수 = 0.0328, ②관로의 마찰손실계수= 0.0306이고, 굴곡부는 각 관로에 2개소로서 2개소의 손실계수는 동일하게 각각 fb= 0.2이다.)
115. P도시에서 1985년도의 인구를 현재 인구라고 할 때 현재부터 10년 후의 인구를 등비급수법으로 추정한 값으로 옳은 것은?
116. 정수장에서 전염소처리법(Perchlor Ination)의 목적으로 적합지 않은 것은?
117. 유역면적이 5ha이고 유입시간이 8분, 유출계수가 0.75일 때 하수관거의 유량은 얼마인가? (단, 하수 관거 길이는 1km, 하수관거내 유속은 40m/min이며, 강우강도 I = 3,970/(t+31)mm/hr, t의 단위는 [분])
118. 펌프의 흡입관에 대한 다음 사항 중 틀린 것은?
119. 오존을 사용하여 살균처리를 할 경우의 장점에 대한 설명 중 틀린 것은?
120. 일반 상수에서 경도(Hardness)를 유발하는 주된 물질은?
δ = (FL3) / (48EI)
여기서 F는 하중, L은 보의 길이, E는 탄성계수, I는 단면의 모멘트 of inertia를 나타낸다.
문제에서 주어진 조건에 따라, F = 100kg, E = 2×106kg/cm2, I = 10cm4이다. 따라서, 위의 공식을 대입하면 다음과 같다.
1mm = (100kg × L3) / (48 × 2×106kg/cm2 × 10cm4)
이를 정리하면,
L3 = 0.48 × 106
L = (0.48 × 106)1/3
L = 1.56m (소수점 이하 버림)
따라서, 보의 길이 ℓ은 최대 1.56m 이하여야 한다.