1과목: 디지털 전자회로
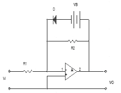
1. 다음 연산 증폭기의 Diode에 흐르는 전류 ID는? (단, R1=2[㏀], Vi=4[V], Vo=0.8[V]임)
2. 다음 논리식을 간단히 하면?
3. 그림은 무슨 Filp-Flop 회로인가?
4. 그림의 회로에서 입력전압 Vi와 출력전압 Vo의 관계 곡선은?




"와 같이 내려가는 형태를 띤다.5. 드레인 접지형 FET 증폭기의 특성을 설명한 것중 옳지 않은 것은? (단, FET의 파라미터 gm은 상호 전도도이다)
6. 여러 신호를 단일 회선을 이용하여 공동으로 전송하는데 필요한 장치는?
7. 부궤환 증폭회로를 사용하여 이득이 1/2배로 줄어들면 대역폭은?
배로 넓어진다.
배로 좁아진다.8. 다음과 같은 RC 발진회로에서 발진주파수 fo 는?



"이다.9. 멀티 바이브레이터의 단안정,무안정,쌍안정의 결정은 어떻게 결정되는가?
10. 그림의 발진회로에서 발진이 시작될 때회로에서 필요한 전압이득 Av는 얼마인가?
11. 논리회로를 구성하고자 할때 IC에 내장되어 있는 AND, NOR, NOT, X-OR, F/F 등의 논리소자 중에서 선택적으로 퓨즈를 절단하는 방법으로 사용자가 직접 기록 (write)할 수 있는 PAL 또는 PLA와 같은 IC는 다음중 어디에 속하는가?
12. 그림과 같은 반파 정류회로의 동작 설명과 관련이 없는 것은?
13. 어떤 발진기에서 전압이득이 50이다. 궤환회로의 감쇠는 얼마여야하는가?
14. 그림과 같이 결선된 논리회로의 논리식은?



" 이다.15. 다음 중 데이터 분배회로로 사용되는 것은?
16. 홀수패리티에 대한 설명중 틀린 것은?
17. 단일측파대 통신방식에 사용되는 변조방식은?
18. 평형변조기에 반송파 cosω ct와 신호파 cosω mt을 입력시켰을 때 출력에 나타나는 파형은?
19. 다음과 같은 이상적인 연산증폭기에서 Vi / i 는?
20. 드레인 전압이 30[V]의 접합형 FET에서 게이트 전압을 0.5[V] 변화 시켰더니 드레인 전류가 2[㎃] 변화하였다. 이 FET의 상호 콘덕턴스는 얼마인가?
2과목: 정보통신 시스템
21. 광송신기의 출력이 -3[dBm], 광수신기의 수신강도가 -36[dBm], 광섬유의 손실이 1[dBm]이다. 만약 접속 손실과 광커넥션 손실을 무시할 수 있다면, 이러한 광전송 시스템이 무중계로 전송가능한 최대거리는?
22. 다음중 ITU-T NO.7 신호방식에서 에러정정으로 고신뢰도의 신호메세지를 전송할 수 있도록 해주는 곳은?
23. 데이터링크 계층에서 처리하는 기능이 아닌 것은?
24. 장치나 시스템이 고장에서 다음 고장까지의 평균 시간, 즉 고장 없이 기능이 정상 운영되는 평균 시간은?
25. 동기식 전송과 비동기식 전송의 근본적인 차이는?
26. 전화, 데이터, 비디오텍스, 텔리텍스, 팩시밀리와 같이 단일 서비스를 제공하는 N-ISDN에서 가입자 에게 공급하는 디지털채널의 구조는 어떠한 형태인가?
27. 데이터 전송을 위한 변복조에서 심벌간의 간섭, 다경로 확산, 첨가 잡음 및 페이딩에 의한 왜곡이 생겨서 수신되는 경우가 있으므로 이를 방지하기 위한 것은?
28. 어느 것이 HDLC의 프레임 구조인가?




"이 HDLC의 프레임 구조인 이유는, Flag로 시작과 끝을 나타내며, Control Field는 프레임의 종류와 제어 정보를 담고 있고, Information Field는 데이터를 담고 있으며, FCS는 오류 검사를 위한 필드로 구성되어 있기 때문이다.29. 패킷교환망에서 우수한 라우팅 알고리즘(routing algorithm)이 갖추어야 될 성질로서 적합하지 않은 것은?
30. IMT 2000 표준 중 동기식과 비동기식의 가장 큰 차이점은 무엇인가?
31. 광섬유(fiber optic)에 대한 설명으로 틀린 것은?
32. 가상회선(Virtual Circuit) 패킷교화방식과 데이타그램(data gram) 패킷교환방식의 공통점이 아닌 것은?
33. HDLC의 프레임 펄스 중 오류제어 정보를 가지고 있는 펄스는?
34. 파장분할 다중전송방식의 장점이 아닌 것은?
35. OSI-7 Layer를 하부 Layer에서부터 상부 Layer까지 옳게 나열한 것은?
36. 50개국을 망형으로 구성할 경우 필요한 중계회선수는?
37. 음성, 비음성의 다양한 통신 서비스를 하나의 통신망으로 종합적으로 제공하는 통신시스템은?
38. 광섬유를 기본으로 하는 통신망과 관계가 적은 것은?
39. 일반 단말(NPT)과 PAD간 통신에 이용되는 프로토콜은?
40. 데이터회선교환방식에 대한 설명 중 옳은 것은?
3과목: 정보통신 기기
41. 전자교환기에서 축적프로그램 제어방식을 사용함으로써 얻을 수 있는 결과가 아닌 것은?
42. 주파수 변별기의 기능을 바르게 나타낸 것은?
43. 다음중 CATV의 기본구성에 속하지 않는 것은?
44. 전송관련 장비중에서 실제 데이터가 있는 단말장치에만 동적인 방식으로 각 부채널에 시간폭을 할당하는 것은?
45. 다음중 new media의 특성과 관계가 가장 깊은 것은?
46. 교환원 대신에 전화교환의 조작을 행한 최초의 자동교환기는?
47. 디지털 전송에서 등화된 파형을 가지고 디지털 파형으로 복원하기 위한 과정에서 확률적으로 0과 1을 판정하는데 오류를 최소화하고, 신호대 잡음비를 개선하기 위하여 사용 되는 것은?
48. 다음중 데이터 전송제어장치의 설명이 잘못된 것은?
49. 다음은 푸시버튼 전화의 기능과 특성에 대한 설명이다. 옳지 않은 것은?
50. MHS의 구성요소로서 이용자로부터 의뢰된 메시지를 MTA로 발사하고 이용자에게 메시지 편집기능 및 메일박스 등을 제공하는 서비스는?
51. 팩시밀리 장치에서 주사기능과 광전변환기능을 가지며, 고속주사가 가능한 주사 소자는?
52. 데이터 종신용 터미널의 전송제어 기능이 아닌 것은?
53. 위성통신에서 통신회선의 공동이용 방법이 아닌 것은?
54. 통신제어장치에 대한 설명이 옳지 않은 것은?
55. 마이크로파 통신방식에서 변환된 중간주파수를 증폭후 다시 마이크로파로 변환하여 송신하는 중계방식은?
56. 디지털 데이터의 형태로 전송할 때 필요한 회선종단장치는?
57. 통신 위성의 공통 기기가 아닌 것은?
58. 다음중 공중 전화망을 이용하여 컴퓨터 통신을 할 때 반드시 필요한 컴퓨터 주변기기는?
59. 텔레텍스트의 미디어 기본특성이 아닌 것은? (비디오텍스와 비교)
60. 호스트 컴퓨터와 변복조기 사이에 설치되어 여러대의 터미널이 하나의 공통포트를 이용하도록 해주는 장비는?
4과목: 정보전송 공학
61. 무장하 케이블의 2차 정수인 α와 위상정수 β는 저주파에서 주파수 f와 어떤관계인가?
, β는 f에 반비례한다.
에 반비례한다.
에 비례한다.
, β는 f에 반비례한다.62. 다음의 전송제어 절차를 순서에 맞게 기술한것은?
63. 메시지 대역폭을 B라 할때 AM 전송에 필요한 전송대역폭은 얼마인가?
64. 다음의 블록도는 어떤 디지털 변조방식을 검파하는 과정이다. 다음 방식은 어떤방식인가?
65. 인켑슐화에 사용되는 제어 정보가 아닌 것은?
66. 세 개의 코드 C1, C2, C3가 각각 0. 6. 0. 3. 0. 1의 확률을 갖고 쓰여질 때, 코드의 평균길이(average code length)는 얼마인가? ( C1코드: 0 C2코드: 10 C3코드: 11)
67. 균일양자화 과정에서 계단(step) 간격의 크기를 증가시키면 발생되는 현상은?
68. HDLC 전송제어에서 사용하는 동작 모드가 아닌 것은?
69. 광케이블 장점을 설명한 것 중 잘못된 것은?
70. 다음 데이터 변조 방식중 위상 변조방식에 사용되지 않는 것은?
71. 광 중계기의 구성품이 아닌 것은?
72. 다음 그림은 정보기입 방식별 파형이다. 이의 명칭은?
73. 다음 중 병렬 전송 방식의 특징이 아닌 것은?
74. N 개의 ASCII 문자를 수평, 수직 패리트 문자로서 검사 할때 코드효율은?




" 이다.75. 광섬유 케이블의 재료 손실중에서 산란으로 인한 손실이 아닌 것은?
76. 베이스 밴드전송의 부호펄스에서 디지털 비트 구간의 절반(1/2)지점에서 항상 신호의 위상이 변화하는 부호는?
77. 발생 다항식을 이용하는 오류제어가 HDLC의 프레임 체크 시퀸스로 사용된다. 다음중 어느 형식의 제어가 적당한가?
78. 다음 전송시스템의 부호화에 대한 설명중 틀린 것은?
79. 위성통신에서 위성을 효과적으로 운영하기 위한 다자간 접속 프로토콜 로 사용되지않는 것은?
80. HDLC에서 1개의 프레임 구성에서 사용되는 프래그(Flag)는 모두 몇 비트인가?
5과목: 전자계산기일반 및 정보통신설비기준
81. “cpu레지스터, 캐쉬기억장치, 주기억장치, 보조기억장치”로 기억장치의 계층구조 요소를 구성하고 있다. 이들 중에서 처리속도가 가장 빠른 것과 가장 느린 것으로 짝을 지는 것은?
82. 현 상태에서 다음 상태로 코드의 그룹이 변화할 때 단지 하나의 비트만이 변화되는 최소 변화 코드의 일종이며, 또한 비트의 위치가 특별한 가증치를 갖지 않는 비가중치코드로서 산술 연사에는 부적합하고 입출력 장치와 A/D변환기와 같은 응용장치에 많이 사용하는 코드 체계는?
83. 기간통신사업자가 전기통신역무에 관한 요금, 기타 이용조건을 정하여 정보통신부장관의 인가를 받은 것을 무엇이라 하는가?
84. 정보통신공사업자가 아닌 자가 시공할 수 있는 경미한 공사는?
85. 중앙처리장치의 구성에 해당되지 않는 것은?
86. 정부통시부장관이 전기통신기술의 진흥을 위하여 수립, 시행하는 시행계획에 포함되는 사항이 아닌 것은?
87. 기간통신사업자가 정보통신설비와 이에 연결되는 다른 정보통신설비 또는 단말장치와의 사이에 정보의 상호 전달을 위하여 공시하여야 하는 것은?
88. 다음 중에서 순서도의 기본형이 아닌 것은 어느 것인가?
89. 전기통신사업은 어떻게 구분하는가?
90. 기업에서 판매하는 PC를 구입하면 기본적으로 운영체제와 오피스 관련 프로그램을 제공한다. 이렇게 제품과 함께 제공되는 프로그램을 무엇이라 하는가?
91. 정적(STATIC) RAM에 비교하여 동적(DYNAMIC) RAM의 특징 설명으로 적당하지 않은 것은?(오류 신고가 접수된 문제입니다. 반드시 정답과 해설을 확인하시기 바랍니다.)
92. 다음 주소 지정 방식 중 기억 장치를 가장 많이 엑세스(ACCESS)해야 하는 방식은?
93. 비트 하나 하나가 독립적으로 동작하고, 실행된 결과를 나타내는 레지스터는?
94. 다음 중 패치 사이클(FETCH CYCLE)에 대한 설명으로 가장 옳은 것은?
95. 일반적으로 부호화된 2의 보수 표시에서 표시가능한 수의 범위는? (단 K = n-1이며, n은 레지스터 비트수이다.)
96. 통신사업자가 신고한 이용약관을 인가시 규정한 기준에 적합하여야 한다. 다음 중 적합하지 않은 사항은?
97. 전화망의 음량손실의 객관적 척도로 이용되는 것은?
98. 다음 용어의 정의 중 올바르게 설명한 것은?
99. 기간통신사업자가 전기통신설비의 설치 공사를 하기 위하여 필요한 경우 타인의 토지를 일시 사용할 수 있는 최대 기간은?
100. 이동통신서비스 품질을 나타내는 파라미터 가운데서 고정 통신서비스와 가장 크게 다른 파라미터는 무엇인가?