1과목: 디지털 전자회로
1. M/S 플립플롭회로는 어떤 현상을 해결하기 위한 플립플롭회로인가?
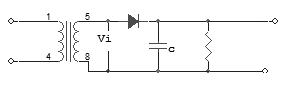
2. 그림과 같은 이상 변압기에 반파정류회로를 구성하여 스위치 S를 개방하였다면 이때 C의 양단 AB에 충전된 전압은 얼마인가?
3. Ic=12[mA]인때 VCE=6[V]이고, β=100, VBE=0.7[V]라고 하고 역포화 전류(reverse saturation current)를 무시하는 경우 Rc를 구하시오.
4. 그림과 같은 연산증폭기를 이용한 Quadrature발진회로에서 출력되는 발진주파수 fo는? (단, R1=200[㏀], R2=R3=150[㏀], C1=C2=C3=0.001[㎌])
5. 그림과 같은 직선 검파회로에서 diagonal clipping이 생기는 이유로서 옳은 것은? (단, ma는 변조지수, Ws는 변조신호의 각주파수)
6. 다음의 내용 중에서 귀환형 발진기의 특징과 관계가 없는 항은?
7. 직력전압 부궤환을 이용한 증폭회로에서 주파수가 높으면 부궤환량이 증가되는 회로는?
8. MOS의 논리회로의 특징이 아닌 것은?
9. 다음 중 NOR 게이트로 구성된 R-S 플립플롭에 대한 설명이 아닌 것은?
10. 다음 회로가 나타내는 전달특성은? (단, D는 이상적인 다이오드이다)




11. 다음회로의 출력은?



12. 다음 회로에서 Q1의 역할은? (단, Q1과 Q2의 전기력특성은 같다)
13. 그림과 같은 ECL 회로의 논리출력은? (단, Y, Y'는 출력단자)
14. 아래 반전증폭회로의 출력전압은 얼마인가? (단, 연산증폭기의 개방이득을 ∞라고 본다.)(문제 오류로 그림이 없습니다. 정답은 1번입니다. 정확한 그림 내용을 아시는분께서는 자유게시판 또는 관리자 메일로 부탁 드립니다.)
15. 그림과 같은 교류적 등가회로의 표시되는 발진회로의 발진주파수는?




16. FM 증폭방식으로 사용하고 저주파 증폭기에는 사용되지 않는방식은?
17. 그림과 같은 회로에서 입력에 Vi = 50 sin ω t[V]인 정현파를 가했을 때 출력 Vo의 파형으로 옳은 것은? (단, D1, D2의 항복전압은 10[V]이다)




18. 다음 중 환형 계수기(ring counter)와 같은 것은?
19. 입력전압이 Vi, 출력전류가 io일 때, 다음식은 출력전류와 입력전압의 비선형 관계를 표시한 식이다. 진폭변조와 관계되는 항은? (단, Ao,A1,A2,A3...... 상수이다.)
20. 그림과 같은 P-MOS 게이트 기능을 나타내는 논리식은? (단, 부논리이다)


2과목: 정보통신 시스템
21. 64개 양자화 레벨(quantization level)을 사용하는 대신 512개 양자화 레벨을 사용하고 싶다. 이 양쪽 시스템이 동일 잡음면역(noise immunity)을 처리 해야 한다고 하면 찬넬 대역폭을 얼마큼 증가 시켜야 하는가?
22. 사용하는 네트워크의 정량적인 평가척도는 어느 것인가?
23. 패킷 교환방식(packet switching)중 틀리는 것은?
24. 광파이버 전송로에 대한 설명으로 부적절한 것은?
25. 다음 DATA 전송제어문자의 내용이 적합하지 않은 것은?
26. 에러제어방식중 ARQ(Automatic Repeat Request)방식은 어떤 방식인가?
27. 기존 전화망에 적용되고 있는 교환(switching)방식은 무엇인가?
28. ITU-T의 V시리즈는 무엇을 대상으로 하는 표준안인가?
29. 개방시스템(Open-Sysem)에 대한 설명 중 틀린 것은?
30. B-ISDN의 프로토콜에서 AAL에 대한 설명으로 맞는 것은?
31. 서비스 프리미티브의 기본 기능이 아닌 것은?
32. 다음중 대화식 통신에 사용하기에는 너무 느려서 적당하지 않은 교환방식은?
33. 메시지에 주소를 부여하고 통신 노드들간의 경로 설정 및 메시지 흐름 제어를 하는 계층은?
34. 종합정보통신망(ISDN)이 제공하는 서비스로 옳은 것은?
35. OSI 7 layer 중 data link control layer의 기능으로 볼수 없는 것은?
36. 디지털 교환기의 통화로망(switching network)의 가장 일반적인 구성 형태는?
37. 다음 설명 중 올바른 것은?
38. 시스템의 평균 고장간격(MTBF)과 평균 수리 소요시간(MTTR)이 주어졌을 때 시스템이 불가동율(W)은?




39. Ethernet에서 사용되는 매체 액세스 프로토콜은?
40. 정보처리 시스템에서 H/W와 S/W가 갖추어야 할 기본적인 기능은?
3과목: 정보통신 기기
41. 다음 중 multimedia 의 환경으로 제공되어야 할 기술과 거리가 가장 먼 것은?
42. 교환회선 전송제어장치는 입출력 제어부, 회선 제어부, 회선 접속부로 구성된다. 다음 중 회선 접속부의 기능은?
43. 다음중 팩시밀리의 ITU-T표준규격에 대한 설명이다. 틀린 것은 어느 것인가?
44. 다음중 역 다중화기의 특징이 아닌 것은?
45. 완충증폭기에 대한 설명중 옳지 않은 것은?
46. 두 선으로 연결된 통신선로 상에 1-2M bps 하향 데이터와 16kbps의 하향 통신을 하도록 지원하는 ADSL(비대칭 디지털 가입자선) 단말기에서 상향 데이터와 하향 데이터를 구분해주는 단말기 구성부는?
47. 다음 중 위성통신 시스템에서 위성중계기의 신호 증폭부가 갖추어야 할 조건이 아닌 것은?
48. 텔레텍스트의 미디어 기본특성이 아닌 것은?
49. CATV 시스템 기본 구성 중에 분배선으로부터 가입자가 들어오는 인입선에 신호를 송출하는 장치는 무엇인가?
50. 다음 중 CCTV의 설치와 관계가 먼 것은?
51. 다음 중 디지털 전송장비의 클럭(clock) 공급방식이 아닌 것은?
52. 지구극 안테나빔을 항상 통신위성의 방향으로 향하게 하는 장치는?
53. 다음 중 터미널과 데이터전송회선을 연결해 주는 부분으로써 터미널 내부의 전기적 신호레벨과의 상호변환의 역할을 하는 것은?
54. 전전자 교환기에서 디지털 스위칭의 장점이 아닌 것은?
55. 다음은 푸시버튼 전화의 기능과 특성에 대한 설명이다. 옳지 않은 것은?
56. 다음중 포트공동이용기가 위치할 곳은?
57. 회선을 보유하거나 임차하여 정보의 축적, 가공, 변환하여 광범위한 서비스를 제공하는 것은?
58. 다음 설명에 해당되는 단말의 표시장치는?
59. 컴퓨터 출력을 마이크로 필름에 기록하는 장치인 COM의 특징이 아닌 것은?
60. 세계위성통신을 행하기 위해서 제안된 세 가지 통신위성 방식이 아닌 것은?
4과목: 정보전송 공학
61. 광통신 케이블에 대한 특징이 아닌 것은?
62. 정보통신 시스템에서의 장애오류 검출에서 다중비트의 오류를 검출하고 정정할 수 있는 부호는?
63. 최고 주파수 fm으로 대역 제한된 신호를 표본화할 때 원신호를 재생하는데 필요한 최소한의 시간간격은 얼마인가?
64. 수신한 마이크로파를 검파하여 Video신호로 만든 다음 증폭한 후 다시 마이크로파로 변조하여 송신하는 중계방식은?
65. 다중신호 si(t) = ai cos w ct + bi sin w ct의 ai, bi를 다중보호의 값으로 대응하는 변조기술은?
66. 광섬유 특징을 설명한 것이다. 연결이 옳은 것을 고르시오.
67. 다음 그림의 검파방식은 무엇이냐?
68. ITU-T에서 권고한 다음신호방식중 공통선 선호 방식으로 전용 데이터 전송로를 필요로 하는 것은?
69. 시외 동선케이블의 심선수가 500쌍(pair)일 때 어떠한 구조로 결합되어 있는가?
70. 다음 위상변조에 대한 기술중 올바른 것은?
71. 디지털 교환기의 시분할 다중화기는 입력단의 가입자선을 어느 속도의 디저털신호로 하여 하이웨이로 이용하는가?
72. 자동재전송요구(Automatic Retransmission Query)기법이 전진오류정정(Foreward Error Correction) 기법에 비교하여 갖는 장점을 올바르게 기술한 것은?
73. 전체 n비트를 사용하는 코드에서 각 비트당 착오가 일어날 확률이 P이라면 수신된 코드에서 착오가 발생하지 않을 확률은?
74. 부호어(Codeword)의 전송 단계에서 1비트의 착오 (error)는 그 위치를 검출하여 교정 할 수 있으나 2비트의 착오는 착오 발생의 사실을 발견할 수 있는 블랙코드가 있다. 이때 부호어간의 최소 거리 (minimum distance)는 얼마인가?
75. 아날로그신호 ×(t)를 매 1초마다 샘플링한 후 델타변조하여 전송하려고 한다. 1×(t)1 ≦8일 때 샘플링된 신호당 전송되는 비트의 수는?
76. BSC(Binary Synchronous Communication)절차의 설명 중 틀린 것은?
77. 아날로그 방식의 라디오나 텔레비젼방송에 사용되고 컴퓨터 시스템에서 고속 데이터 전송에 적합한 통신 회선은?
78. 통신속도가 300[BAUD]이고, 보오당 신호레벨이 4일 때 1분간의 송신 가능속도를 계산하시오.
79. HDLC전송제어 절차에서 사용되는 것의 설명과 맞는 것은?
80. 아날로그데이타를 디지털 신호로 변환시키고 다시 디지털 신호를 아날로그 데이터로 복구시키는 장치는?
5과목: 전자계산기일반 및 정보통신설비기준
81. 다음 중 정보통신공사의 하도급 제도를 올바르게 설명한 것은?
82. 선로설비의 회선 상호간, 회선과 대지간 및 회선의 심선 상호간의 절연저항은 얼마이어야 하는가?
83. 다음 중 debugging과 관계가 적은 것은?
84. 정보통신공사업자가 아닌 자도 시공할 수 있는 공사는?
85. 입출력 과정에서 CPU의 역할이 가장 큰 방식은?
86. 다음중 데이터 베이스의 특성에 속하지 않는 것은?
87. 전기통신설비의 보호를 위한 금지 행위가 아닌 것은?
88. 다음 각 자료형 중에서 가장 적은 비트의 수를 필요로 하는 것은?
89. 산술 및 논리연산의 결과를 일시 보관하는 레지스터는?
90. 전자서명 공인 인증기관으로 지정받을 수 없는 자는?
91. 정보통신 서비스의 제공에 사용되는 자동교환설비의 특성 임피던스는 몇[Ω]인가?
92. 데이터 전송기준의 측정 척도중 오율의 측정기준이 아닌 것은?
93. 오퍼레이팅 시스템의 성능평가시 고려사항이 아닌 것은?
94. (011111100000)2의 값을 갖는 레지스터의 내용을 오른쪽으로 네 번 시프트 시켜다면 실제로 이 레지스터가 수행한 연산은 무엇인가?
95. 기간통신사업자가 전기통신역무에 관한 요금, 기타 이용조건을 정하여 정보통신부장관의 인가를 받은 것을 무엇이라 하는가?
96. 16 kbyte의 주기억장치를 구성하려면 최소한 몇 개의 어드레스선이 필요한가?
97. 전기통신기재의 형식승인을 얻고자 하는 경우 누구에게 형식승인의 신청서와 형식승인 대상 전기통신기자재를 제출하여야 하는가?
98. 다음 중 보조기억장치의 특징이라 할 수없는장치는?
99. 다음 중 레지스터의 결과 값이 다른 것은? (단, A레지스터는 0×55 라는 값이 저장되어있다.)
100. 전기통신사업의 종류가 알맞게 분류된 것은?