1과목: 재료역학
1. 폭 20cm, 높이 30cm의 직사각형 단면을 가진 길이 300cm의 외팔보는 자유단에 최대 몇 kN의 하중을 가할 수 있는가? (단, 허용 굽힘응력은 σa=15MPa이다.)
2. 다음 중 기둥의 좌굴에 대한 설명으로 옳은 것은?
3. 등분포 하중을 받고 있는 단순보와 양단 고정보의 중앙정에서 최대 처짐량의 비는? (단, 보의 굽힘강성 EI는 일정하다.)
4. 주응력에 대한 설명 중 틀린 것은?
5. 지름 3mm의 철사로 평균지름 75mm의 압축코일 스프링을 만들고 하중 10N에 대하여 3cm의 처짐량을 생기게 하려면 감은 회수(n)는 대략 얼마로 해야 하는가? (단, 전단 탄성계수 G=88GPa이다.)
6. 길이가 L이고 단면적이 A인 봉의 단면에 수직 하중이 작용하고, 작용하중 방향으로 변형률 ε이 발생하였다면 이 봉에 저장된 탄성에너지 U는 어떻게 표현되는가? (단, 봉의 탄성계수는 E이다.)




7. 길이 15m, 지름 10mm의 강통에 8kN의 안장 하중을 걸었더니 단성 변형이 생겼다. 이 때 늘어난 길이는? (단, 이 강재의 탄성계수 E=210GPa이다.)
8. 지름 d의 축에 암(arm)을 달고, P를 가할 때 축에 발생되는 최대 비틀림 전단응력은?




9. 단면적이 같은 원형과 정사각형의 단면 계수의 비는?
10. 그림과 같은 돌출보가 있다. ωℓ=P일 때 이 보의 중앙점에서 굽힘 모멘트가 0이 되기 위한 길이의 비 a/ℓ는? (단, 보의 자중은 무시한다.)
11. 그림과 같이 전체 길이가 3L인 외압보에 하중 P가 B점과 C점에 작용할 때 자유단 B에서의 처짐량은? (단, 보의 굽힘강성 EI는 일정하고, 지중은 무시한다.)




12. 지름 7mm, 길이 250mm인 연강 시험편으로 비틀림 실험을 하여 얻은 결과, 토크 4.08N·m에서 비틀림 각이 8°로 기록되었다. 이 재료의 전단 탄성계수는 약 몇 GPa인가?
13. 최대 사용강도(σmax)=240MPa, 지름 1.5m, 두께 3mm의 강재 원통형 용기가 견딜 수 있는 최대 압력은 몇 kPa인가? (단, 안전계수(SF)는 2이다.)
14. 단면은 폭 5cm, 높이 3cm, 길이가 1m의 단순 지지보가 중앙에 집중하주 4kN을 받을 때 발생하는 최대 굽힘응력은 약 몇 MPa인가?
15. 그림과 같이 길이가 동일한 2개의 기둥 상단에 중심 압축 하중 2500N이 작용할 경우 전체 수축량은 약 몇 mm인가? (단, 단면적 A1=1000mm2, A2=2000mm2, 길이 L=300mm, 재료의 탄성계수 E=90GPa이다.)
16. 연강 1cm3무게는 0.0785N이다. 길이 15m의 둥근 봉을 매달 때 봉의 상단 고정부에 발생하는 인장응력은 몇 kPa인가?
17. 직사각형 단면(폭×높이)이 4cm×8cm이고 길이 1m 외팔보의 전 길이가 6kN·m의 통분포하중이 작용할 때 보의 최대 처짐각은? (단, 탄성계수 E=210GPa이고 부의 처짐은 무시한다.)(오류 신고가 접수된 문제입니다. 반드시 정답과 해설을 확인하시기 바랍니다.)
18. 그림과 같은 구조물에 1000N이 물체가 매달려 있을 때 두 개의 강선 AB와 AC에 작용하는 점의 크기는 약 몇 N인가?
19. 반지름이 r인 원형 단면의 단순보에 전단력 F가 가해졌다면 이 때 단순보에 발생하는 최대 전단응력은?




20. 어떤 탄성재료의 탄성계수 E와 전단 탄성계수 G사이에 성립하는 관계식으로 맞는 것은? (단, v는 재료의 포이슨(poisson)비이다.)




2과목: 기계열역학
21. 보일러 입구의 압력이 9800kN/m2이고, 복수기의 압력이 4900N/m2일 때 펌프 일은 약 몇 kJ/kg인가? (단, 물의 비체ㅈ거은 0.001m3/kg이다.)
22. 단순압축성 물질의 압력-체적-온도 사이의 관계식을 나타내는 상태방적식 Pv=RT에 대한 다음 설명 중 잘못된 것은?
23. 잘 단열된 노즐에서 공기가 0.45MPa에서 0.15MPa로 팽창한다. 노즐 입구에서 공기의 속도는 50m/s, 온도는 150℃이며 출구에서의 온도는 45℃이다. 출구에서의 공기의 속도는? (단, 공기의 정압비열과 정적비열은 1.0035kJ/kg·K, 0.7165kJ/kg·K이다.)
24. 500W의 전열기로 4kg의 물을 20℃에서 90℃까지 가열하는데 몇 분이 소요되는가? (단, 전열기에서 열은 전부 온도 상승에 사용된다. 물의 비열은 4180J/kg·K이다.)
25. 다음 그림은 열교환기를 흐름 배열(flow arrangement)에 따라 분류한 것이다. 맞는 것은?
26. 고온열원(T1)과 저온열원 (T2) 사이에서 역카르노 사이클에 의한 열펌프(heat pump)의 성능계수는?
27. 상온의 감자를 가열하여 뜨거운 감자로 요리하였다. 감자의 에너지 변동 중 맞는 것은?
28. 체적이 0.1m3인 튼튼한 밀폐 용기에 물이 50kg 들어있으며 그 압력은 100kPa이다. 이 포화상태의 물을 가열할 경우 일어나는 변화로 알맞은 것은? (단, 물의 임계점에서의 비체적은 0.003155m3/kg이고, 100kPa에서의 포화수 및 포화증기의 비체적은 각각 0.001043m3/kg, 1.694m3/kg 이다.)
29. 물체의 온도가 20℃에서 80℃로 되었다면 방사하는 복사에너지는 약 몇 배가 되는가?
30. 그림은 압력 온도선도이다. 다음 설명 중 틀린 것은?
31. 압력 250kPa, 체적 0.35m3의 공기가 일정 압력 하에서 팽창하여, 체적이 0.5m3로 되었다. 이때의 내부에너지의 증가가 93.9kJ이었다면, 팽창에 필요한 열랴은 약 몇 kJ인가?
32. 어느 열기관이 33kW의 일을 발생할 때 1시간 동안의 일을 열량으로 환산하면 약 얼마인가?
33. 내부에너지가 40kJ, 절대압력이 200kPa, 체적이 0.1m3, 절대온도가 300K인 계의 엔탈피는 약 몇 kJ인가?
34. 다음의 열역학 상태량 중 종량적 상태량은?
35. 고체에 에너지를 전달하여 온도를 높이는 여러 가지 방법들 중에서 전달되는 에너지가 일이 아닌 것은?
36. 분자량이 29이고, 정압비열이 1005J/kg·K인 기체의 기체상수는 약 몇 J/kg·K인가? (단, 일반기체상수는 8314.5J/kmol·K이다.)
37. 절대압력 100kPa, 온도 100℃인 상태에 있는 수소의 비체적(m3/kg)은? (단, 수소의 부자량은 2이고, 일반기체상수는 8.3145kJ/kmoi·K이다.)
38. 다음과 같은 온도범위에서 작동하는 카르노(Carnot)사이클 열기관이 있다. 이 중에서 효율이 가장 좋은 것은?
39. 이상기체 1kg이 가역등온 과정에 따라 P1=2kPa, V1=0.1m3로부터 V2=0.3m3로 변화했을 때 기체가 한 일은 몇 주울(J)인가?
40. 반데란스(van der waals)의 상태 방정식은
로 표시된다. 이 식에서 a/v2, b는 각각 무엇을 고려하는 상수인가?
3과목: 기계유체역학
41. 유량 5m3/min, 속도 9m/s, 비중 1인 울 제트가 고정된 평면 판에 수직으로 충돌하고 있는 경우 평면 판에 작용하는 힘의 몇 N 인가?
42. 에너지션(Energy Line)에 관한 설명으로 옳지 않은 것은?
43. 안지름 0.1m의 관로에서 관 벽의 마찰 손실수두가 속도수두와 같다면 그 관로의 길이는 몇 m인가? (단, 관마찰계수 f=0.03이다.)
44. 다음 중 무저항 합이 아닌 것은?
45. 유체 속에 잠겨있는 경사진 관의 윗면에 작용하는 압력힘의 작용점에 대한 설명 중 맞는 것은?
46. 원심 펌프로 기름을 압송한다. 이 펌프의 회전수느 1000rpm이고, 기름의 동점성계수는 7×10-4m2/s이다. 이 펌프의 모형을 만들어서 1.56×10-4m2/s의 동정섬계수를 갖는 공기를 이용하여 모형 실험을 하려고 한다. 모형 펌프의 지름을 원형 펌프의 3배로 하였을 때 모형 펌프의 회전수는 약 몇 rpm인가?
47. 그림과 같은 단면적 1m2인 탱크에 설치된 노즐이 수두 1m에서의 유량 Q를 2배로 하기 위해서는 수면 상에 몇 kg 정도의 피스톤을 놓아야 하는가?
48. 지름이 1cm인 원통 관에 0℃의 물이 흐르고 있다. 평균 속도가 1.2m/s이고, 0℃ 물의 동정성계수가 1.788×10-6m2/s일 때, 이 흐름의 레이놀즈 수는?
49. 에너지의 차원을 옳게 표시한 것은? (단, F : 힘, M : 질량, L : 거리, T : 시간)
50. 지름 8cm의 구가 공기 중을 20m/s의 속도로 운동할 때 항력은 약 몇 N인가? (단, 공기 밀도는 1.2kg/m3, 항력계수는 Co는 0.6이다.)
51. 내경 30cm의 원 관 속을 절대압력 0.32MPa, 온도 27℃인 공기가 4kg/s로 흐를 때, 이 원 관속을 흐르는 공기의 평균 속도는 약 몇 m/s인가? (단, 공기의 기체 상수 R=287J/kg·K 이다.)
52. 그림과 같이 속도의 크기 U로 x축과 임의의 각도 α를 가지고 흐르는 균일 직선유동에 대한 유동함수(stream function) ø를 극좌표 r, θ로 나타낸 것은?
53. 절대압력을 정하는데 기준(영점)이 되는 것은?
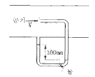
54. 어떤 액체의 밀도가 액체 표면으로부터 깊이(h)에 따라 선형으로 변화할 때 (ρ=ρo+Kh, ρo=액체표면에서의 밀도, K=상수) 깊에에 따른 압력을 식으로 표현하면?
55. 다음의 속도장 중에서 연속방정식을 만족시키는 유체의 흐름은 어느 것인가? (단, u는 x방향의 속도성분, v는 y방향의 속도성분)
56. 평판을 지나는 경계층 유동에서 속도 분포가 경계층 바깥에서는 균일 속도, 경계층 내에서는 벽으로부터의 거리의 1차함수라고 가정하면 배제두께(displacement thickness)δ*와 경계층 두께 δ의 관계는?
57. 그림과 같이 관로에 액주계가 설치되어 있을 때 공기의 속도는 약 몇 m/s인가? (단, 공기의 밀도는 1.23kg/m3이다.)
58. 나란한 두 개의 평판 사이의 증류 유동에서 속도 분포는 포물선 형태를 보인다. 평균 속도(Vmean)와 중심에서의 최대 속도 (Vmax)의 관계는?
59. 어떤 기름의 정성계수가 1.6×10-2N·s/m2이고 밀도는 800kg/m3이다. 이 기름의 동점성계수는 몇 m2/s인가?
60. 밀도가 500kg/m3인 원기동이 1/3만큼 액체면 위로 나온 상태로 떠있다. 이 액체의 비중은?
4과목: 기계재료 및 유압기기
61. 단조 작업한 강철 재료를 풀림하는 목적으로서 적합하지 않은 것은?
62. 구리합금 중에서 가장 높은 경도와 강도를 가지며 피로한도가 우수하여 고급스프링 등에 쓰이는 것은?
63. 강의 표면경화처리에서 질화빔의 특징을 설명한 것 중 틀린 것은?
64. 탄소강에 미치는 인(P)의 영향에 대하여 가장 올바르게 표현한 것은?
65. 회주철의 탄소당량(Carbon equlvalent)이 상태도의 공정점 이하의 값을 갖는다면, 회주철 제품생산 시 탄소당량의 변화에 따른 설명으로 틀린 것은?
66. 강력하고 인성이 있는 기계주철 주물을 얻으려고 할 때 주철 중의 탄소를 어떠한 상태로 하는 것이 가장 적합한가?
67. 금속의 소성변형에서 열간가공의 효과가 아닌 것은?
68. 강에서 열처리 조직으로 경도가 가장 큰 것은?
69. 공석강의 탄소함유량으로 가장 적합한 것은?
70. 지름 15mm의 평강 통에 5000kgf의 인칭하중이 작용할 때 생기는 응력은 약 몇 kol/mm2인가?
71. 구조가 간단하여 값이 싸고 유암유 중의 이물질에 의해 고장이 생기기 어렵고 가촉한 조건에 잘 견디는 유압모터로 가장 적합한 것은?
72. 그림과 같은 유압 회로도에서 릴리프 밸브는?
73. 1회전 당의 유량이 40cc인 베인모터가 있다. 공급 유압을 600N/cm2, 유량을 30L/minㅇ로 할 때 발생할 수 있는 최대 토크(torque)는 약 몇 N·m인가?
74. 그림과 같은 유압·공기압기호의 명칭은?
75. 관(튜브)의 끝을 넓히지 않고 관과 슬리브의 먹힘, 또는 마찰에 의하여 관을 유지하는 관 이음쇠는?
76. 유압 작동유가 구비하여야 할 조건 설명으로 틀린 것은?
77. 점성계수(coefticient of viscosity)는 기름의 좋은 성질이다. 점성이 지나치게 클 경우 유압기기에 나다니는 현상이 아닌 것은?
78. 유압기기 중 오일의 점성을 이용한 기계, 유속을 이용한 기계, 팽창 수축을 이용한 기계로 분류할 때, 점성을 이용한 기계로 가장 적합한 것은?
79. 다음 중 유압이 140kgf/cm2이고, 토출량이 200L/min 이상의 고압 대유량에 사용하기에 가장 적당한 펌프는?
80. 압력 제어 밸브등로만 구성되어 있는 것은?
5과목: 기계제작법 및 기계동력학
81. 다음 중 구멍의 내면을 가장 정밀하게 가공하는 방법은?
82. 최소 측정값이 1/20mm인 버니어캘리퍼스에 대한 설명으로 옳은 것은?
83. 강이 표면 경화법에 해당 되지 않는 것은?
84. 용접봉의 방법 중 파괴시험안에 속하는 것은?(문제 오류로 문제 내용이 정확하지 않습니다. 정확한 내용을 아시는분 께서는 오류신고를 통하여 내용 작성 부탁 드립니다. 정답은 3번입니다.)
85. 어시닝센터의 프로그램시 테이블 이송과 관련이 가장 적은 것은?
86. M6×1.0의 나사에서 탭(tap)을 가공하고자 할 때 가장 적당한 드릴의 지름은?
87. 공구연삭기에 A60NSV의 연식숫돌을 고정하였다. 숫돌의 지름 300mm, 회전수가 1800rpm일 때 숫돌의 원주속도는 몇 m/min 정도인가?
88. 주조품 제조시 사용하는 모형(pattern)의 분류 중 구조에 따라 분류할 때 이에 속하지 않는 것은?
89. 분괴압연 작업에서 만들어진 강편으로서 4각형 또는 정방형 단면의 소재로서 250mm×250mm에서 450mm×450mm정도의 크기를 갖는 비교적 큰 재료의 명칭은?
90. 만네스만 압연기와 유사한 방법으로 파이프의 지름을 확대하는데 많이 이용하는 그림과 같은 구조로 되어 있는 것은?
91. 열차(A)는 108km/h의 일정한 속력으로 건널목 C의 900m 전방을 달리고 있다. 72km/h의 속력으로 달리던 자동차(S)는 건널목 전방 1000m 지점에서부터 가속 페달을 밟아 일정한 가속도로 주행한다. 자동차가 열차보다 3초 먼저 건널목을 통과하기 위하여 필요한 자동차의 가속도는 약 몇 m/s2인가?
92. 90kg의 질량을 가진 기계가 스프링 상수 3600kN/m인 스프링과 감쇠기 위에 받쳐 있고 조화 가진력 Fosinwt가 작용한다면 공진 진폭은 몇 cm인가? (단, Fo는 50N이고, 점성 강쇠계수 c는 5N·s/m이다.)
93. 지구 중심을 중심으로 원 궤도를 그리며 비행하기 위한 인공위성의 속력은 약 몇 km/s인가? (단, 인공위성은 지표면으로부터 고도 300km로 비행하며 지구의 반경 R=6371km이다.)
94. 다음 1자유도계에서 t=1s일 때 변위는 약 몇 mm인가?
95. 질량 1000kg인 자동차에서 엔진으로부터 바퀴까지의 동력전달효율은 ε=0.63이다. 자동차가 일정한 속도 V=60m/s로 달릴 때 바람의 저항력이 Fo=80N이라면, 동력이 네 바 부퀴에 모두 전달된다고 가정하고 엔진에 의하여 공급되는 동력은 약 몇 kW인가?
96. 승용차와 트럭이 동일한 속도로 마주보며 주행하다가 정면으로 충돌하였다. 이때 일반적으로 승용차의 운전자가 더 큰 충격을 받게 되는데 그 이유로 가장 타당한 설명은?
97. 길이가 1m안에 무게가 5kg인 균일철 막대가 그림과 같이 지지되어 있다. A점을 일자로 되어 있어 B점이 연결된 줄이 갑자기 끊어졌을 때 막대는 자유로이 회전한다. 막대가 수직 위치에 도달한 순간 가속도는 약 몇 rad/s인가?
98. 그림과 같이 일단이 수직으로 매달려서 진자와 같이 한 평면 내에서 진동하는 가늘고 긴 막대의 고유 주기는? (단, 막대의 질량은 m이고 길이는 L이다.)




99. x(t)=Xsin(wt+ø)의 진동을 하고 있는 경우 맞는 것은?
100. 그림과 같은 질량 3kg인 원판의 반지름이 0.2m일 때 x-x'축에 대한 질량 관성모멘트의 크기는 몇 kg·m2인가?