1과목: 재료역학
1. 밀도가 일정한 정육면체형 물체의 각 변의 길이가 처음의 3배로 되었을 때 이 정육면체의 바닥면에 발생되는 자중에 의한 수직 응력의 크기는 처음의 몇 배가 되겠는가?
2. 균일분포하중 ω를 받고 있는 길이가 L인 단순보의 처짐을 δ로 제한한다면 균일 분포하중의 크기는 어떻게 표현되겠는가? (단, 보의 단면은 폭이 b이고 높이가 h인 직사각형이고 탄성계수는 E이다.)




3. 코일 스프링의 소선의 지름을 d, 코일의 평균 지름을 D, 코일 전체 길이가 L인 경우 인장하중 W를 작용시킬 때 전체의 처짐량(δ)을 나타내는 식은? (단, G는 전단 탄성계수이고, n은 코일의 감김 수이다.)




4. 아래 그림에서 모멘트의 최대값은 몇 kN·m인가?(단, B점은 고정이다.)
5. 길이가 2m인 환봉에 인장하중을 가하였더니 길이 변화량이 0.14cm였다. 이 때의 변화률은?
6. 지름 d인 원형단면 봉이 비틀림 모멘트 T를 받을 때, 발생되는 최대 전단응력 τ를 나타내는 식은? (단, Ip는 단면의 극단면 2차 모멘트이다.)




7. 그림과 같은 균일 원형단면을 갖는 양단 고정봉의 C점에 비틀림 모멘트 T=98N·m를 작용시킬 때, 하중점 (C점)에서의 비틀림 각은 몇 rad인가? (단, 전단탄성계수 G=78.4GPa, 극관성모멘트 Ip=600cm4이다.)
8. 내부 반지름 1.25m, 압력 1200kPa, 두께 10mm인 원형 단면의 실린더형 압력 용기에서의 축방향 응력 (σt:longitudinal stress)과 후프응력 (σz:circumferential stress)를 구하면?
9. 그림과 같은 복합 막대가 각각 단면적 AAB=100mm2, ABC=200mm2을 갖는 두 부분 AB와 BC로 되어있다. 막대가 100kN의 인장하중을 받을 때 총 신장량을 구하면 몇 mm인가? (단, 재료의 탄성계수(E)는 200GPa이다.)
10. 그림과 같은 균일 단면의 돌출보(overlanging beam)에서 반력 RA는? (단, 보의 자중은 무시한다.)
11. 어떤 재료의 탄성계수 E=210GPa이고 전단 탄성계수 G=83GPa이라면 이 재료의 포아송 비는? (단, 재료의 균일 및 균질하며, 선형 탄성거동을 한다.)
12. 탄성계수 E=200GPa, 좌굴음력 σB=320MPa인 강제 기둥에 오일러(Euler) 공식을 적용할 수 있는 한계 세장비는? (단, n은 양단지지 상태에 따른 좌굴 계수이다.)
13. 그림과 같이 균일 분포하중(ω)을 받는 균일 단면 외팔보의 자유단 B에서의 처짐량은? (단, 보의 굽힘 강성 EI는 일정하고, 자중은 무시한다)




14. 지름 6mm인 곧은 강선을 지름 1.2m의 원통에 감았을 때 강선에 생기는 최대 굽힘 응력은 약 몇 MPa인가? (단, 탄성계수 E=200GPa이다.)
15. 그림과 같은 보는 균일다면 부정정보이다. 반력 RB를 구하는데 필요한 조건은?
16. 5cm×10cm 단면의 3개의 목재를 목재용 접착제로 접착하여 그림과 같은 10cm×15cm의 사각 단면을 갖는 합성보를 만들었다. 접착부에 발생하는 전단응력은 약 몇 kPa인가? (단, 이 보의 길이는 2m이고, 양단은 단순지지이며 중앙에 P=800N의 집중하중을 받는다.)
17. 다음 그림과 같이 단면적인 A인 강봉의 축선을 따라 하중 P가 작용할 때, 임의의 경사 평면에서 전단응력이 최대가 될 때의 면의 각(α)과 이 경우에 해당하는 전단응력 (τmax)은 얼마인가?
18. 그림과 같이 초기온도 20℃, 초기길이 19.95cm, 지름 5cm인 봉을 간격이 20cm인 두 벽면 사이에 넣고 봉의 온도를 220℃로 가열했을 때 봉에 발생되는 응력은 몇 MPa인가? (단, 균일 단면을 갖는 봉의 선팽창계수 a=1.2×10-5/℃이고, 탄성계수 E=210GPa이다.)
19. 내부 반지름 Ri, 외부 반지름 Ro인 속이 빈 원형 단면의 극(polar)관성 모멘트는?




20. 그림에서 블록 A를 뽑아내는 데 필요한 힘 P는 몇 N 이상인가? (단, 블록과 접촉면과의 마찰 계수 μ=0.4이다.)
2과목: 기계열역학
21. 다음 T-S 선도에서 과정 1-2가 가역일 때 빗금 친 부분은 무엇을 나타내는가?
22. 다음 사항은 기계열역학에서 일과 열(熱)에 대한 설명이다 이 중 틀린 것은?
23. 냉동시스템의 증발기(열교환기)에 냉매 R-134a가 온도 5℃, 엔탈피 380kJ/kg, 질량 유량 0.1kg/s로 유입되어 포화증기로 유출된다. 공기는 25℃로 유입되어 10℃로 나온다. 공기의 비령은 1.004kJ/kg·℃이다 증발기를 통과하는 공기의 질량 유량은?
24. 비가역 단열변화에 있어서 엔트로피 변화량은 어떻게 되는가?
25. 1kg의 기체가 압력 50kPa, 체적 2.5m3의 상태에서 압력 1.2MPa, 체적 0.2m3의 상태로 변하였다. 엔탈피의 변화량은 약 몇 kJ인가? (단, 내부에너지의 증가 U2-U1=0이다.)
26. 다음 열역학 성질(상태량)중 종량적 성질인 것은?
27. 증기동력시스템에서 이상적인 사이클로 카르노사이글을 택하지 않고 팽킨사이클을 택한 주된 이유로 가장 적합한 것은?
28. 다음 P-h 선도를 이용하여 증기압축 냉동기의 성능계수를 구하면 얼마인가?
29. 피스톤-실린더 장치 안에 300kPa, 100℃의 이산화탄소 2kg이 들어있다. 이 가스를 PV1.2=constant인 관계를 만족하도록 피스톤 위에 추를 더해가며 온도가 200℃가 될 때까지 압축하였다. 이 과정 동안의 열전달량은 약 몇 kJ인가? (단, 이산화탄소의 정적비열(Cv)=0.653kJ/kg·K이고 정압비열(Cp)=0.842kJ/kg·K이며, 각각 일정하다.)
30. 증기터빈에서 증기의 상태변화로서 가장 이상적인 것은?
31. 냉동용량이 35kW인 어느 냉동기의 성능계수가 4.8이라면 이 냉동기를 작동하는데 필요한 동력은?
32. 고열원과 저열원 사이에서 작동하는 카르노사이클 열기관이 있다. 이 열기관에서 60kJ의 일을 얻기 위하여 100kJ의 열을 공급하고 있다. 저 열원의 온도가 15℃라고 하면 고 열원의 온도는?
33. 온도가 350K인 공기의 절대압력이 0.3MPa, 체적이 0.3m3, 엔탈피가 100kJ이다. 이 공기의 내부에너지는?
34. 움직이고 있던 중량 5 ton의 차에 브레이크를 걸었더니 42.7m미끄러진 후에 완전히 정지하였다. 노면과 바퀴 사이의 마찰계수를 0.2라 하면, 제동 중에 발생된 열량은 약 몇 kJ인가?
35. 다음 기체 중 기체상수가 가장 큰 것은?
36. 이상적인 시스템에 하루 2200kcal를 공급한다고 한다. 이 시스템에서 발생하는 평균 동력은 약 얼마인가? (단, 1kcal은 4180J이다.)
37. 정상상태 정상유동 과정의 팽창밸브가 있다. 입구에 액체가 유입되며, 이 과정을 스로틀로 간주할 수 있다. 입구상태를 1, 출구상태는 2로 각각 나타낼 때, 다음 중 어느 관계식이 가장 정확한가?
38. 포화증기를 단열 압축시키면 일반적으로 어떻게 되겠는가?
39. 물 10kg을 1기압 하에서 20℃로부터 60℃까지 가열할 때 엔트로피의 증가량은 약 몇 kJ/K인가? (단, 물의 정압비열은 4.18kJ/kg·K이다.)
40. 상태 1에서 상태 2로의 열역학 과정 중 운동에너지와 위치에너지의 변화를 무시할 때 일은
로 계산할 수 있는 경우는? (단, P는 압력, V는 체적이다.)
3과목: 기계유체역학
41. 그림과 같이 단면적이 A인 관으로 밀도가 p인 비압축성 유체가 V의 유속으로 들어와 지름이 절반인 노즐로 분출되고 있다. 제트에 의해서 평판에 작용하는 힘은?
42. 실형의 1/25인 기하학적으로 상사한 모형 댐이 있다. 모형 댐의 상봉에서 유속이 1m/s일 때 실형의 대응점에서의 유속은 몇 m/s인가?
43. 일정 간격의 두 평판사이로 흐르는 완전 발달된 비압축성 정상유동에서 x는 유동방향, y는 직교방향의 좌표를 나타낼 때 압력강화와 마찰손실의 관계가 될 수 있는 것은? (단, P는 압력, τ는 전단응력, μ는 정성계수이다.




44. 직경이 10cm인 수평 원 관으로 3km 떨어진 곳에 원유(점성계수 μ=0.02Pa·s, 비중 s=0.86)를 0.2m3/min의 유량으로 수송하기 위해서 필요한 동력은 약 몇 W인가?
45. 경계층의 속도분포가 u=10y(1+0.05y3)이고 y방향의 속도 성분 v=0일 때 벽면으로부터 수직거리 y=1m 지점에서의 와도(vorticity)는?
46. 경계층에 대한 설명으로 가장 적절한 것은?
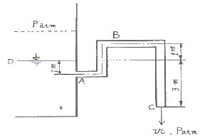
47. 탱크 속의 액면이 점선의 위치에서 현 액면위치 D까지 서서히 내려왔다. 액면의 속도를 무시할 때 파이프 출구 C에서의 유출 속도 Vc는 약 몇 m/s인가? (단, 관에서의 마찰은 무시한다.)
48. 펌프로 물을 양수할 때 흡입측에서의 압력이 진공 압력계로 75mmHg이다. 이 압력은 절대 압력으로 약 몇 kPa인가? (단, 수은의 비중은 13.6이고, 대기압은 760mmHg이다.)
49. 주철관을 통하여 유량 0.2m3/s로 기름을 운반하려 한다. 마찰계수는 0.019로 가정하고 관의 길이 1000m에서 손실수두가 8m로 되는 관의 지름 약 몇 cm인가?
50. 흐르는 물의 유속을 측정하기 위하여 삽입한 피토 정압관에 비중이 3인 액체를 사용하는 마노미터를 연결하여 측정한 결과 액주의 높이 차이가 10cm로 나타났다면 유속은 약 몇 m/s인가?
51. 지름 2cm인 수평 원관으로 점성계수가 1×10-3Pa·s인 물이 층류로 흐른다. 1m 흐를 때마다 100Pa의 압력강하가 일어난다면 유량은 몇 m3/s인가?
52. 5cm의 지름을 가진 구가 공기 속을 20m/s의 속도로 날고 있다. 이 때 항력은 몇 N인가? (단, 공기의 비중량은 12Nm3, 항력계수는 0.4이다.)
53. 관마찰계수가 거의 상대조도(relative roughness)에만 의존하는 경우는?
54. 직경이 30mm이고, 틈새가 0.2mm인 슬라이딩 베어링이 1800rpm으로 회전할 때 윤활유에 작용하는 전단응력은 약 몇 Pa인가? (단, 윤활유의 점성계수 μ=0.38N·s/m2이다.)
55. 그림과 같이 입구속도 Uo의 비압축성 유체의 유동이 평판 위를 지나 출구에서의 속도분포가
가 된다 검사체적을 ABCD로 취한다면 단면 CD를 통과하는 유량은? (단, 그림에서 검사체적의 두께는 δ, 평판의 폭은 b이다.)




56. 지름의 비가 1:2인 2개의 모세관을 물 속에 수직으로 세울 때 모세관현상으로 물이 관속으로 올라가는 높이의 비는?
57. 표면장력의 차원으로 맞는 것은? (단, M : 질량, L : 길이, T : 시간)
58. 밀폐된 탱크 내의 비중이 0.9인 오일이 들어 있고 윗부분의 공간에 절대압력 5000Pa인 공기가 차 있다. 공기와 오일의 경계면에서 2m 아래의 절대 압력은 약 몇 kPa인가? (단, 물의 비중량은 9790N/m3이다.)
59. 밀도 p, 중력가속도 g, 유속 V, 힘 F에서 얻을 수 있는 무차원수는?




60. 정상 유동(steady flow)은 어떤 유동인가? (단, P, V는 임의 점의 압력, 속도이다.)
인 유동
인 유동4과목: 기계재료 및 유압기기
61. 다음 중 서브제로(sub-Zero) 처리에 대한 설명으로 틀린 것은?
62. 다음 주강품에 대한 설명 중 틀린 것은?
63. 게이지강이 갖주어야 할 조건으로 틀린 것은?
64. 다음 중 스프링 가의 기호를 나타내는 것은?
65. 주조할 때 주물표면을 금속형 등으로 급냉하여 백선화 시켜서 경도를 높이고 내마모성, 내압성을 향상시킨 주철은?
66. 쾌삭강(Free cutting steel)에 절삭속도를 크게 하기 위하여 첨가하는 주된 원소는?
67. Fe-Fe3C 평형 상태도의 723℃(A1)에서 일어나는 변태로부터 나타나는 조직은?
68. 다음 중 가단주철을 설명한 것으로 가장 적합한 것은?
69. 40∼50% Ni을 함유한 합금이며, 전기저항이 크고 저항온도 계수가 작으므로 전기저항선이나 열전쌍의 재료로 많이 쓰이는 Ni-Cu 합금은?
70. 탄소강을 풀림(Annealing)하는 목적과 관계없는 것은?
71. 베인펌프의 특징에 해당하지 않는 것은?
72. 수개의 볼트에 의하여 조임이 분할되기 때문에 조임이 용이하여 대형관의 이음에 편리한 관이음 방식은?
73. 그림과 같은 실린더를 사용하여 F=3kN의 힘을 발생시키는데 최소한 몇 MPa의 유압(P)이 필요한가? (단, 실린더의 내경은 45mm이다.)
74. 슬라이드 밸브 등에서 밸브가 중립점에 있을 때, 이미 포트가 열리고 유체가 흐르도록 중복된 상태를 의미하는 용어는?
75. 그림과 같은 기호의 명칭으로 옳은 것은?
76. 유입관로의 유량이 25L/min 일 때 내경이 10.9mm라면 관내 유속은 약 몇 m/s인가?
77. 그림의 유압 회로는 펌프 출구 직후에 릴리프 밸브를 설치하여 최대압력을 제한하려는 것이다 이에 맞는 회로의 명칭은?
78. 유압기기에서 실(seal)의 요구 조건과 관계가 먼 것은?
79. 카운터 밸런스 밸브에 관한 설명 중 맞는 것은?
80. 유압유의 점도가 낮을 때 유압 장치에 미치는 영향에 대한 설명으로 거리가 먼 것은?
5과목: 기계제작법 및 기계동력학
81. 원동 연삭작업에서 연삭 숫돌의 원주속도 v=1800m/min, 연삭력 147.15N, 연삭효율이 η=80% 일 때 연삭동력은 몇 kW인가?
82. 일명 장호 용접이라 하며, 입상의 미세한 용제를 용접부에 산포하고 그 속에 전극 와이어를 연속적으로 공급하여 용제 속에서 모재와 와이어 사이에 아크를 발생시켜 용접하는 것은?
83. 공작물을 신속히 교환할 수 있도록 되어 있으며 고정력이 작용력에 비해 매우 큰 클램프는?
84. 방전기공(Electro Discharge Machining)에 의한 금속, 비금속가공시 전극재료의 구비조건이 아닌 것은?
85. 두께 1.5mm인 연질 탄소강판에 지름 4mm의 구멍을 펀칭할 때 전단력은 약 몇 N인가? (단, 전단 저항력 τ=300[N/mm2]이다.)
86. 절삭온도를 측정하는 방법으로 틀린 것은?
87. 판재가 5mm 이상인 보일러에서 리벳 이음을 한 후 리벳머리를 때려서 기밀 유지하도록 하는 작업은?
88. 침탄법에 비하여 경화층은 얇으나, 경도가 크다. 담금질이 필요 없고, 내식성 및 내마모성이 크나, 처리시간이 길고 생산비가 많이 드는 표면경화법은?
89. 잔형(Loose piece)에 대한 설명으로 맞는 것은?
90. 금속재료를 회전하는 룰러(Roller) 사이에 넣어 가압함으로써 단면적을 감소시켜 길이 방향으로 늘리는 작업은?
91. 반경이 0.25m인 원판이 지면 위를 미끄럼 없이 구르고 있을 때 원판 중심의 속도는 1.5m/s, 가속도는 2.5m/s2이다. 원판의 꼭대기에 있는 점의 속도는 몇 m/s인가?
92. 도르래와 모터를 이용하여 무게가 mg인 물체를 그림과 같이 끌어올리고자 한다. 도르래의 질량은 무시할 수 있을 정도로 작다. 모터가 줄을 v의 속도 및 a의 가속도로 그림과 같이 끌어 올릴 때 모터에 의해 전달되는 일률은?




93. 두 질점의 완전소성충돌에 대한 설명 중 틀린 것은?
94. 그림에 나타난 반경 0.125m인 실린더는 두 개의 움직이는 판 D와 E 사이에서 미끄럼 없이 구른다. 실린더 중심 C의 속도와 방향은? (단, 위 판의 속도는 0.25m/s(→)이고 아래 판의 속도는 0.4m/s(←)이다.)
95. 가속도계로 어떤 진동체의 최대 가속도를 측정하였더니 중력가속도의 80배였다. 이 때 진동체의 주파수가 20Hz 였다면 진동체의 진폭은 약 몇 cm인가?
96. 길이 1.0m, 질량 10kg의 막대가 A점에 핀으로 연결되어 정지하고 있다. 1kg의 공이 수평속도 10m/s로 막대의 중심을 때릴 때, 충돌 직후의 막대의 각속도를 구하면? (단, 공과 막대 사이의 반발계수는 0.4이다.)
97. 중량이 42N, 스프링 상수가 28N/cm, 감쇠계수(c)가 0.3N·s/cm일 때 이 계의 감쇠비(ζ)는 얼마인가?
98. 고유 주기 T가 1s인 단진자의 길이는 약 몇 cm인가?
99. 무게 1kN의 기계가 스프링상수 k=50kN/m인 스프링 위에 지지되어 있다. 크기가 50N인 조화 가진력이 기계에 작용하고 있다면 공진 진동수와 공진 진폭은 얼마인가? (단, 점성 감쇠계수 c=6kN·s/m이다.)
100. 인공위성이 반경이 R인 지구 주위를 0.1R의 고도를 유지하며 원형궤도를 돌기 위한 속도 V는?



